天津市武清区人民政府 2019年12月3日星期二

无障碍 无障碍 简体 | 繁体 长者模式 长者模式

武清区城市管理委员会关于印发《武清区建筑垃圾污染环境防治工作规划(2025-2035年)》的通知
来源:天津市武清区城市管理委员会 发布时间:2025-10-14 10:43

各有关单位:

《武清区建筑垃圾污染环境防治工作规划(2025-2035年)》已经区人民政府第177次常务会议审议通过,现印发你们,请认真抓好贯彻落实。

附件:武清区建筑垃圾污染环境防治工作规划(2025-2035年)

                           2025年10月14日

(此件主动公开)


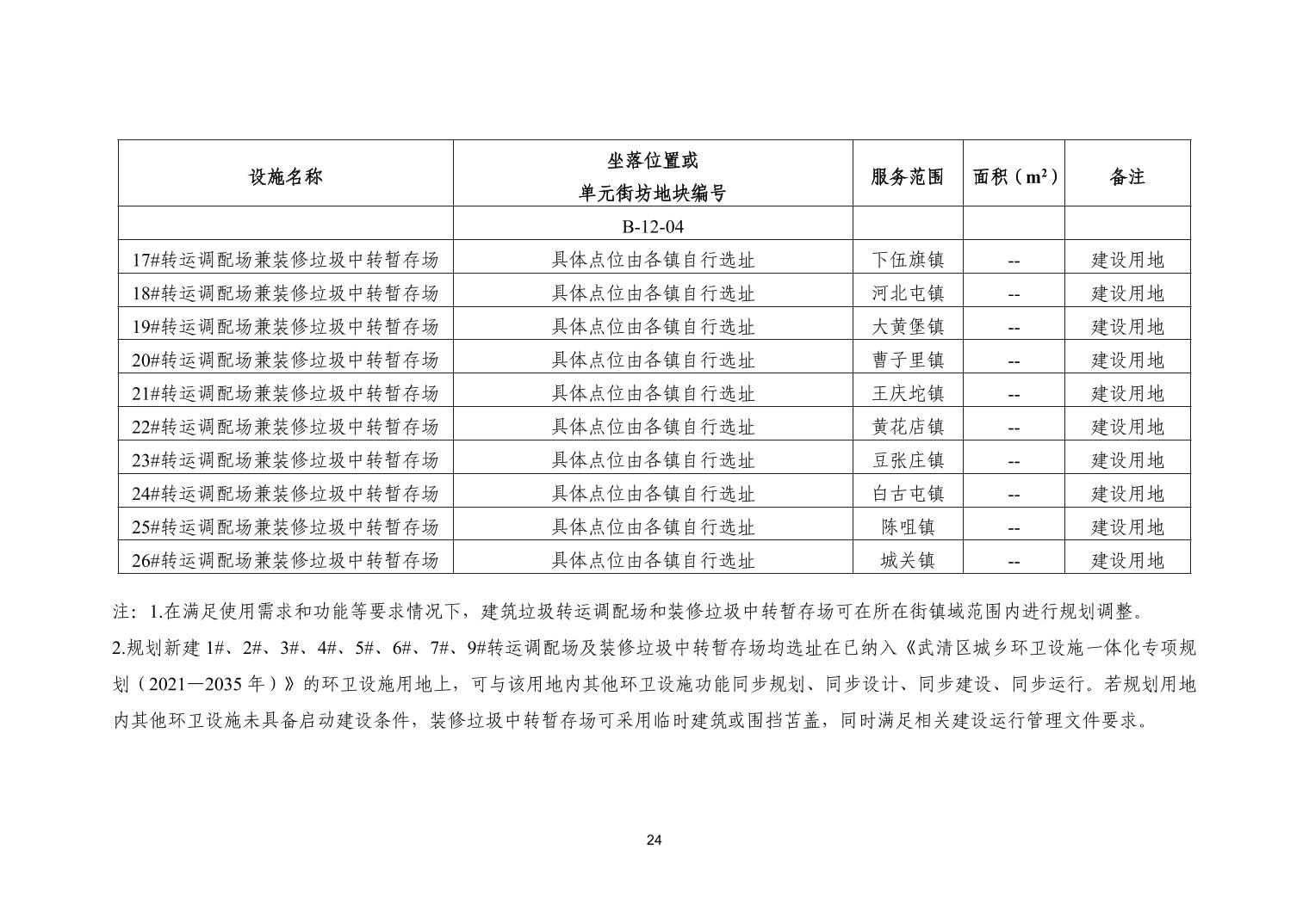
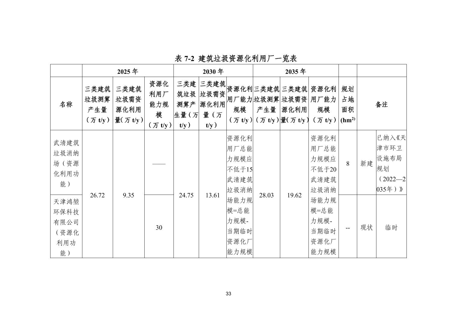
附件: